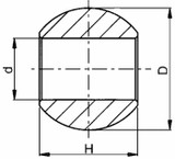
Rotule con coni e Rotule distanziali

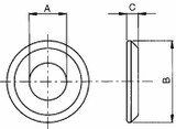
Filtri Filtri Filtri