Distributore idraulico da 1/2" a 2 leve doppio effetto 80L

0 Recensioni Scrivi recensione
Marca Ama Refluid
SKU: 58277
Disponibilità: Consegna in 1-3 giorni
Spedizione: Spedizione gratuita
Portata l/min: 80 l/min
Pressione massima: 180 Bar
Brand: Ama Refluid
Modello: Basic
Tipo: Distributore idraulico ad 2 leve a doppio effetto con ritorno a molla
Hai delle domande?
€193.29
Veloce! Stock attuale:

Distributore idraulico da 1/2" a 2 leve doppio effetto 80L

€193.29

Il distributore idraulico da 1/2"-3/4" a 2 leve è una componente fondamentale per veicoli agricoli e macchine da lavoro.

È caratterizzato da un circuito a doppio effetto con ritorno a molla, da una portata di 80 litri e da una pressione massima di 180 bar.

Agisce come valvola per deviare, normalizzare o bloccare il flusso dell'olio in un sistema. Inoltre sottopone una determinata pressione all'olio idraulico per permettere la trasmissione di energia.

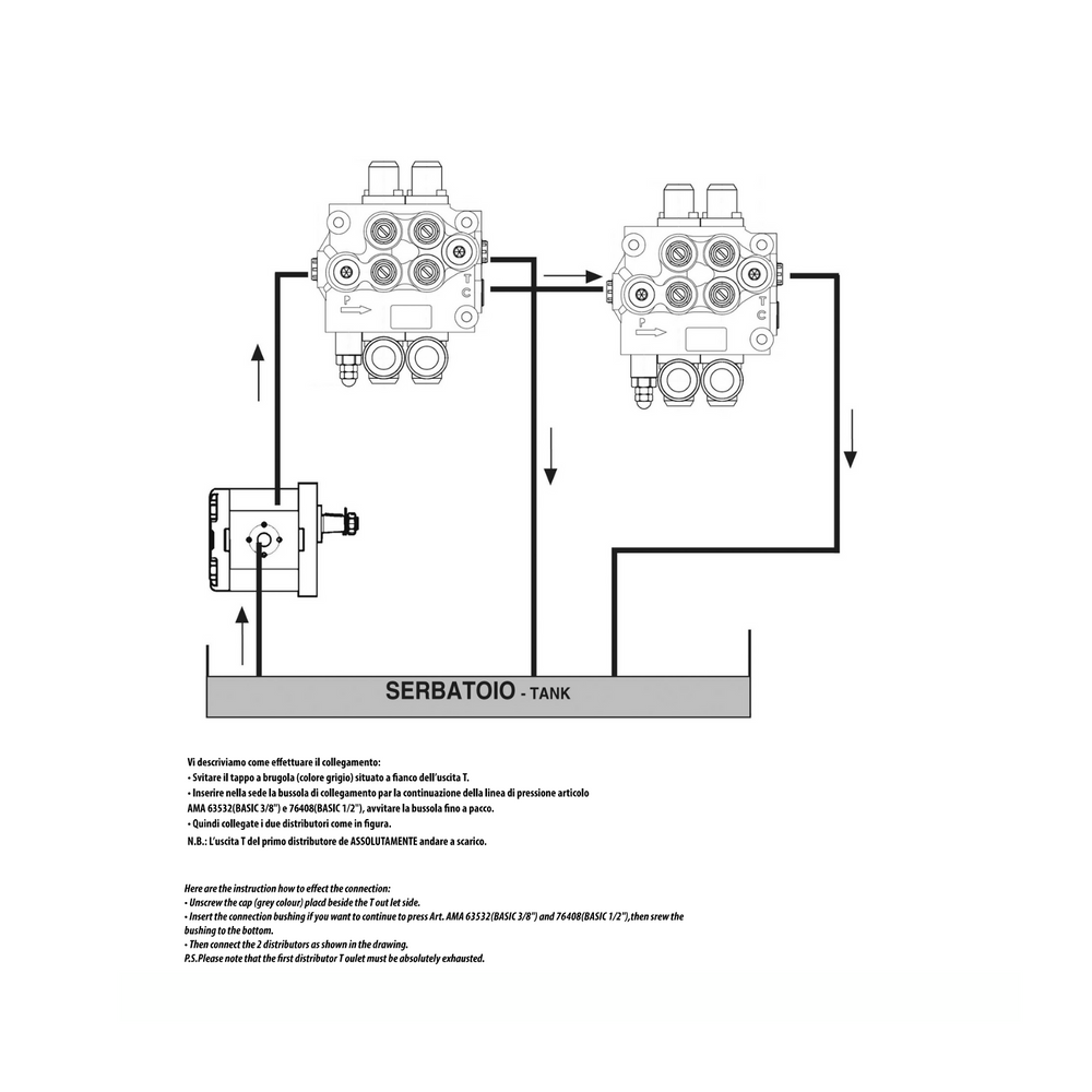
L'articolo è predisposto per il carry over.




Dettagli

Struttura
Circuito
1ª / 2ª doppio effetto
Tipo filetto
Pollici
Dimensioni e peso
Chiave
24
Filettatura femmina
1/2"-3/4"
Filettatura maschio
1/2"- 3/4"
Peso
8,6 kg
Funzionalità e prestazioni
Portata l/min
80 l/min
Pressione massima
180 Bar
Dati principali
Brand
Ama Refluid
Destinazione d'uso
Oleodinamica
Modello
Basic
Tipo
Distributore idraulico ad 2 leve a doppio effetto con ritorno a molla