Perno adatt,landini c4500-c5000 ø28x36x20mm adattabile a Landini C4500-C5000

0 Recensioni Scrivi recensione
Marca Ama
SKU: 83840
Disponibilità: Consegna in 2-4 giorni
Confezione: 2 pezzi
Spedizione: Spedizione gratuita
Brand: Ama
Tipo: Perno per attacchi a tre punti
Hai delle domande?
€31.95
Veloce! Stock attuale:

Perno adatt,landini c4500-c5000 ø28x36x20mm adattabile a Landini C4500-C5000

€31.95
Perno attacco attrezzi adattabile cingolati Landini C4500-C5000 Ø28-36-20


Dettagli

Dimensioni e peso
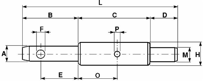
Diametro perno
28 mm
Lunghezza
18,8 cm
Peso
1,16 kg
Quota a
28 mm
Quota b
64 mm
Quota c
100 mm
Quota d
22 mm
Quota e
50 mm
Quota f
12 mm
Quota g
18 mm
Quota h
36 mm
Quota i
24
Quota l
186 mm
Quota m
20 mm
Quota n
6
Quota o
82 mm
Dati principali
Brand
Ama
Destinazione d'uso
Agricoltura, macchine industriali, macchine movimento terra, macchine speciali, officina
Tipo
Perno per attacchi a tre punti
Compatibilità
Produttore Codice originale
LANDINI C4500 - 5000