Perno per attacco attrezzi ø25-28-22 adattabile Fiat 5102993

2 pezzi
Esaurito
0 Recensioni Scrivi recensione
Marca Ama
SKU: 03146
Disponibilità: Consegna in 2-4 giorni
Confezione: 2 pezzi
Spedizione: Spedizione gratuita
Brand: Ama
Tipo: Perno per attacchi a tre punti di trattori
Hai delle domande?
€24.40
Veloce! Stock attuale:
Questo prodotto non è al momento disponibile
Puoi trovare prodotti simili nella categoria: Attacchi a 3 punti oppure Perni per attacco a 3 punti oppure

Perno per attacco attrezzi ø25-28-22 adattabile Fiat 5102993

€24.40
Perno attacco attrezzi diametri 25-28-22 adattabile FIAT riferimento 5102993


Dettagli

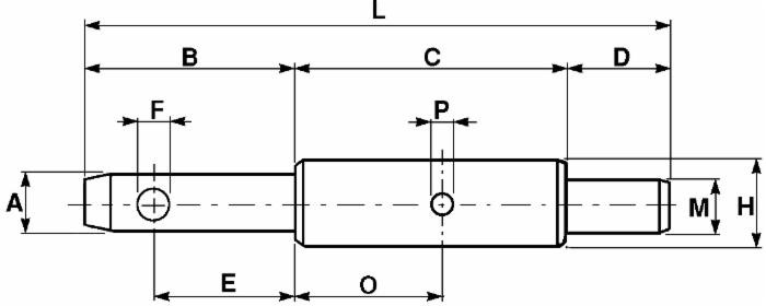
Dimensioni e peso
Diametro perno
25 mm
Lunghezza
20 cm
Peso
800 g
Quota a
25 mm
Quota b
55 mm
Quota c
115 mm
Quota d
30 mm
Quota e
40 mm
Quota f
12 mm
Quota g
48 mm
Quota h
28 mm
Quota l
200 mm
Quota m
22 mm
Quota n
6
Quota o
67 mm
Quota p
6.5
Dati principali
Brand
Ama
Destinazione d'uso
Agricoltura, macchine industriali, macchine movimento terra, macchine speciali, officina
Tipo
Perno per attacchi a tre punti di trattori
Codici originali
Produttore Codice originale
FIAT 5102993