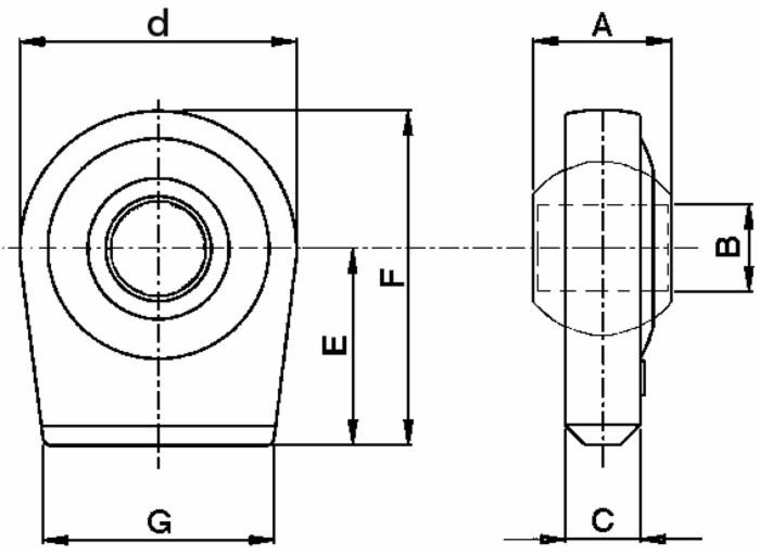
Supporto inferiore per rotula sferica I categoria Ø 22mm testa Ø 67mm
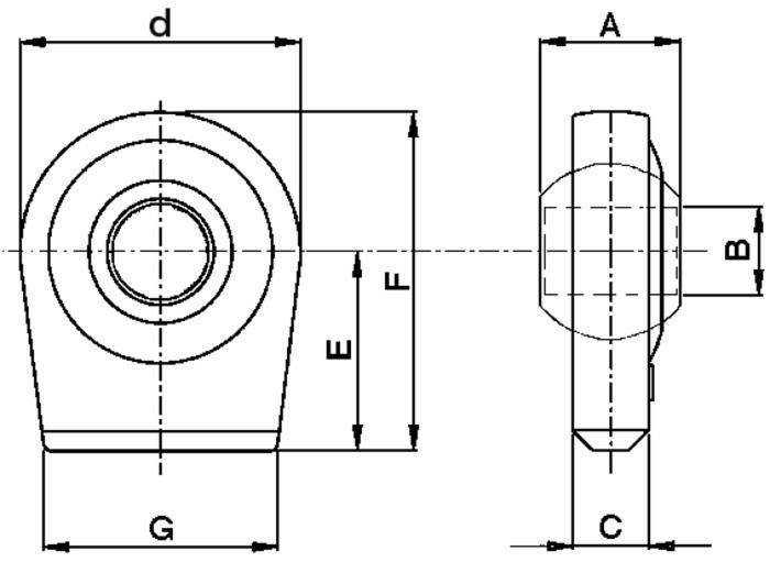
Supporto inferiore per rotula sferica I categoria Ø 22mm testa Ø 67mm
Supporto inferiore per rotula sferica dal diametro di 22 mm.
Questo prodotto a base piatta, per rotule della prima categoria, è compatibile con bracci inferiori degli attacchi a tre punti, di tipologia a fianchi dritti.
Articolo con un alloggio dal diametro di 22,1 mm ed un ingombro totale di 109x67x35 mm che dispone di una testa dal diametro di 67 mm e di un interasse di 75 mm.
Euro