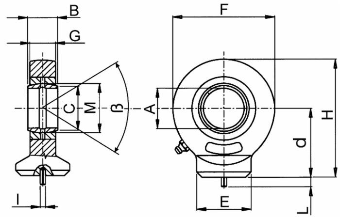
Terminale a snodo, DIN 648 serie E, Ø 30 mm, accoppiamento acciaio su acciaio.
Dettagli
Normative
DIN 648 serie E
Destinazione d'uso
Agricoltura, macchine industriali, macchine movimento terra, macchine speciali, officina
Tipo
Terminale a snodo sferico anteriore per terzo punto