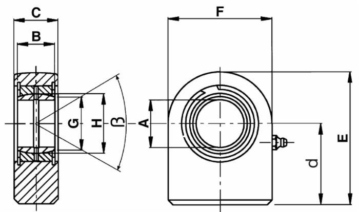
Terminale a snodo, ISO 12240 serie E, Ø 25 mm, accoppiamento acciaio su acciaio.
Dettagli
Normative
ISO 12240 serie E
Destinazione d'uso
Agricoltura, macchine industriali, macchine movimento terra, macchine speciali, officina
Tipo
Terminale a snodo sferico posteriore per terzo punto