snodo Tsar femmina per terzo punto Ø 60mm

0 Recensioni Scrivi recensione
Marca Ama
SKU: 07216
Disponibilità: Consegna in 2-4 giorni
Spedizione: Spedizione gratuita
Angolo: 12 °
Carico dinamico: 245 kN
Carico statico: 390 daN
Brand: Ama
Modello: TS.AR.
Tipo: Terminale a snodo femmina per terzi punti
Hai delle domande?
€80.51
Veloce! Stock attuale:

snodo Tsar femmina per terzo punto Ø 60mm

€80.51
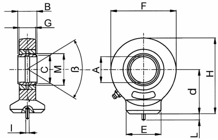
Terminale a snodo, DIN 648 serie E, Ø 60 mm, accoppiamento acciaio su acciaio.


Dettagli

Struttura
Normative
DIN 648 serie E
Dimensioni e peso
Diametro foro
60 mm
Peso
4,6 kg
Quota a
60 mm
Quota b
44 mm
Quota c
66,5 mm
Quota d
100 mm
Quota e
70 mm
Quota f
135 mm
Quota g
38 mm
Quota h
168 mm
Quota l
6 mm
Quota m
80 mm
Funzionalità e prestazioni
Angolo
12 °
Carico dinamico
245 kN
Carico statico
390 daN
Dati principali
Brand
Ama
Destinazione d'uso
Agricoltura, macchine industriali, macchine movimento terra, macchine speciali, officina
Modello
TS.AR.
Tipo
Terminale a snodo femmina per terzi punti