Terminale a snodo per terzo punto sferico Ø 25mm

0 Recensioni Scrivi recensione
Marca Ama
SKU: 07240
Disponibilità: Consegna in 2-4 giorni
Spedizione: Spedizione gratuita
Angolo: 14 °
Carico dinamico: 48 kN
Carico statico: 72 daN
Brand: Ama
Tipo: Terminale a snodo per terzi punti
Hai delle domande?
€27.68
Veloce! Stock attuale:

Terminale a snodo per terzo punto sferico Ø 25mm

€27.68
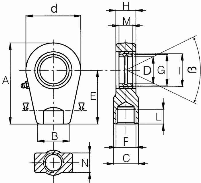
Terminale a snodo ISO 12240, accoppiamento acciaio su acciaio, rilubrificabile, Ø 25 mm.


Dettagli

Struttura
Normative
ISO 12240
Tipo filetto
Metrico
Dimensioni e peso
Diametro foro
25 mm
Filettatura femmina
M16
Peso
0,47 kg
Quota a
80 mm
Quota b
36 mm
Quota c
25 mm
Quota d
56 mm
Quota e
50 mm
Quota f
16x1,5 mm
Quota g
29 mm
Quota h
23 mm
Quota i
35.5
Quota l
17 mm
Quota m
20 mm
Quota n
21
Funzionalità e prestazioni
Angolo
14 °
Carico dinamico
48 kN
Carico statico
72 daN
Dati principali
Brand
Ama
Destinazione d'uso
Agricoltura, macchine industriali, macchine movimento terra, macchine speciali, officina
Tipo
Terminale a snodo per terzi punti