Quadro d’avviamento per trattori 90W 3 posizioni intercambiabile con Bosch e Same IP54

1 Recensione Scrivi recensione
Marca Ama
SKU: 12333
Disponibilità: Consegna in 2-4 giorni
Spedizione: Spedizione gratuita
Funzioni: Posizione 0: OFF, posizione 1: ON, posizione 2: avviamento
Brand: Ama
Modello: 3 posizioni
Tipo: Quadro avviamento
Hai delle domande?
€27.06
Veloce! Stock attuale:

Quadro d’avviamento per trattori 90W 3 posizioni intercambiabile con Bosch e Same IP54

€27.06

Quadro d’avviamento per trattori e macchine da lavoro dalla potenza di 90 W.

Questo dispositivo nello specifico è intercambiabile con il riferimento originale Bosch 0 342 311 003 e con il riferimento originale Same 2.7659.047.0.

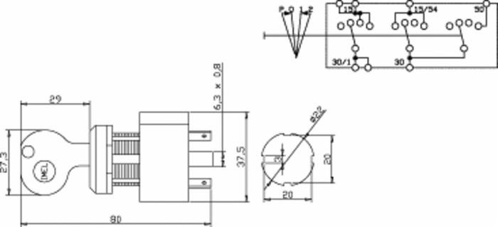
Presenta un carico massimo di 12 A a 12 V e di 9 A a 24 V (morsetto 50) ed è coperto da un grado di protezione IP54.

Munito di un diametro di 22,5 mm ed ha come caratteristica di essere anti torsione per spessori fino a 9 mm.
Viene montato mediante dado ottagonale e dado cilindrico di tipo M22x1.

Può svolgere diverse funzionalità fino a tre posizioni. In posizione "0" si trova in modalità OFF con possibilità di estrarre la chiave, in posizione "1" è in modalità ON con anti ripetizione di avviamento e in posizione "2" è in modalità di avviamento.

Il collegamento avviene mediante spina piatta e la chiave può essere sostituita con il ricambio Ama art. Q13043.

Rappresenta una soluzione ottimale per l’avviamento dei trattori in quanto semplifica la procedura migliorando l’efficienza operativa. Inoltre aumenta la sicurezza grazie al suo modo di gestire le varie funzioni.




Dettagli

Sicurezza e normative
Grado protezione ip
IP54
Dati tecnici alimentazione
Carico max 12V
12A (morsetto 50)
Carico max 24V
9A (morsetto 50)
Contatti elettrici
Contatti a spina piatta
Dimensioni e peso
Chiave
Chiave a ricambio art. Q13043.P. Estraibile solo in posizione 0
Diametro di foratura
22,5 mm
Dimensioni
ø 22,5mm (antitorsione) ; per spessori fino a 9 mm
Peso
160 g
Funzionalità e prestazioni
Funzioni
Posizione 0: OFF, posizione 1: ON, posizione 2: avviamento
Dati principali
Brand
Ama
Modello
3 posizioni
Tipo
Quadro avviamento
Codici originali
Produttore Codice originale
BOSCH 0 342 311 006, 342 311 003
SAME 2.7659.047.0

Recensioni

1 Recensione Scrivi una recensione
  • Prezzi bassi e ottimi prodotti
    5

    Pubblicato da Alessandro Speranza il 26.06.24

    Ottimo prodotto a buon prezzo