

AmaArt: 00546
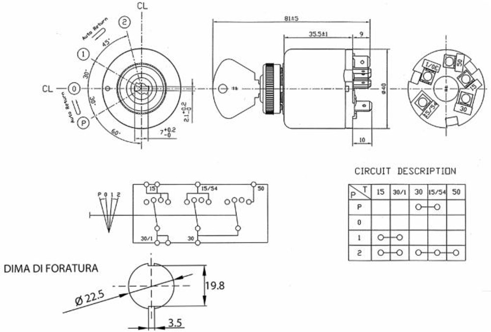
Il quadro di avviamento con preriscaldo a 4 posizioni offre un controllo affidabile e intuitivo del sistema di avviamento del tuo veicolo. La chiave è progettata per essere estraibile solo nella posizione 0, garantendo così la sicurezza e impedendo la perdita accidentale durante l'uso prolungato.
Con un collegamento a spina piatta di diametro 40 mm, questo quadro di avviamento è compatibile con una varietà di veicoli e apparecchiature. Questo modello è compatibile con Cobo 14.112.000.
In caso di necessità è possibile acquistare una nuova chiave di ricambio, art. 00546, garantendo così una maggiore tranquillità in caso di smarrimento o guasto della chiave originale.
Produttore | Codice originale |
---|---|
COBO | 1021283, 14.112.000 |
FIAT | 44901424, 9955994 |
GOLDONI | 02050839, 02050549 |
SAME LAMBORGHINI HURLIMANN | 2.7659.006.0/01 |
Spedizione gratuita
Consegna rapida in 1-3 giorni