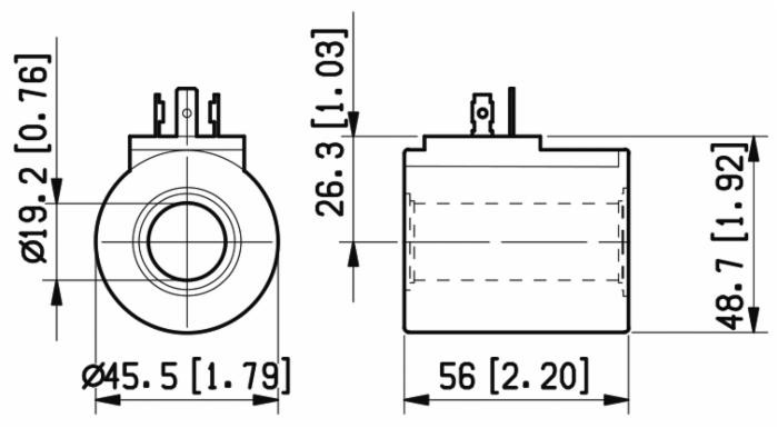
Bobina a 24VDC per elettrodistributori da 50 litri

Bobina a 24VDC per elettrodistributori da 50 litri
La bobina a 24VDC per elettrodistributore proporzionale da 50 litri è un componente essenziale per il controllo preciso del flusso idraulico nei sistemi che richiedono una regolazione continua e accurata.
Progettata per essere compatibile con gli elettrodistributori Ama 75662 e 75663, questa bobina assicura un'integrazione perfetta e un funzionamento ottimale.