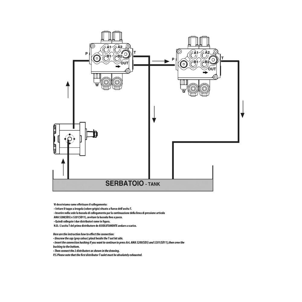
Distributore oleodinamico Walvoil modello SD11 da 1/2", circuito a 1 leva doppio effetto per spaccalegna. Ha una capacità di 70 litri ed è predisposto per il carry over.
Dettagli
Filettatura femmina
1/2"-3/4"
Filettatura maschio
1/2"-3/4"
Pressione massima
180 Bar
Destinazione d'uso
Oleodinamica
Tipo
Distributore oleodinamico ad 1 leva a doppio effetto per spaccalegna