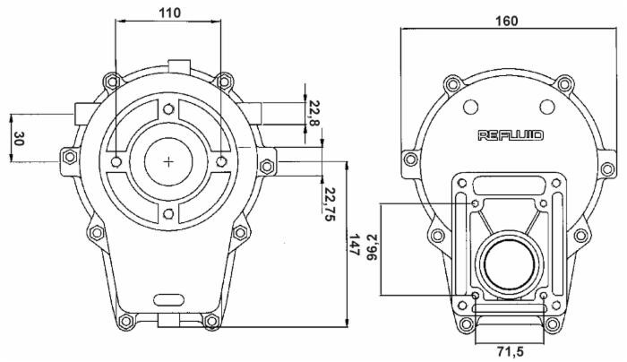
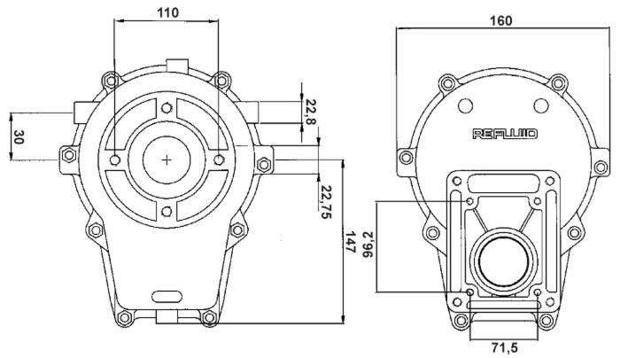
Moltiplicatore di giri per pompa gruppo 2, attacco alla PTO femmina ad innesto rapido, rapporto 1:2. Coppia massima lato PTO 15,2 daNm, lato pompa 7,6 daNm. Rotazione destra massima 3000 giri/1'.
Dettagli
Senso di rotazione
Dx, Sx
Potenza meccanica
13,4 hp
Temperatura di esercizio
-20° / +120° C
Destinazione d'uso
Agricoltura
Modello
1" 3/8 Femmina I.R.
Tipo
Moltiplicatore per pompa gruppo 2