Divisore di flusso da 3/8" da 25/40 litri

0 Recensioni Scrivi recensione
Marca Ama Refluid
SKU: 05297
Disponibilità: Consegna in 2-4 giorni
Spedizione: Spedizione gratuita
Portata l/min: 25-40 l/min
Pressione massima: 250 Bar
Brand: Ama Refluid
Tipo: Divisore flusso
Hai delle domande?
€131.50
Veloce! Stock attuale:

Divisore di flusso da 3/8" da 25/40 litri

€131.50
Divisore di flusso da 3/8" con ingresso da 1/2" al 50% per portate da 25 a 40 litri. Impiego: Valvole che consentono la divisione del fluido in ingresso in due parti uguali (50/50), mentre nella direzione opposta lo riunificano indipendentemente dalla variazione di pressione generata dagli attuatori e dalla loro portata. Vengono utilizzate quando due attuatori uguali, non accoppiati meccanicamente, alimentati dalla stessa pompa e regolati dallo stesso distributore, devono muoversi contemporaneamente in entrata e in uscita.


Dettagli

Struttura
Tipo filetto
Pollici
Dimensioni e peso
Chiave
36
Filettatura femmina
1/2"- 3/8"
Peso
1,94 kg
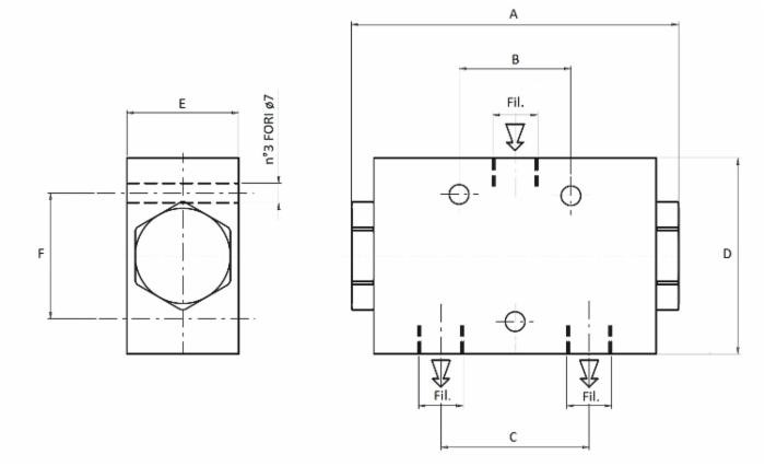
Quota a
117 mm
Quota b
40 mm
Quota c
53 mm
Quota d
70 mm
Quota e
40 mm
Quota f
45 mm
Funzionalità e prestazioni
Portata l/min
25-40 l/min
Pressione massima
250 Bar
Dati principali
Brand
Ama Refluid
Destinazione d'uso
Oleodinamica
Tipo
Divisore flusso