Divisore di flusso da 3/8" da 6/11 litri

0 Recensioni Scrivi recensione
Marca Ama Refluid
SKU: 19439
Disponibilità: Consegna in 2-4 giorni
Spedizione: Spedizione gratuita
Portata l/min: 6-10 l/min
Pressione massima: 250 Bar
Brand: Ama Refluid
Tipo: Divisore flusso
Hai delle domande?
€128.92
Veloce! Stock attuale:

Divisore di flusso da 3/8" da 6/11 litri

€128.92
Divisore di flusso da 3/8" al 50% per portate da 6 a 11 litri. Impiego: Valvole che consentono la divisione del fluido in ingresso in due parti uguali (50/50), mentre nella direzione opposta lo riunificano indipendentemente dalla variazione di pressione generata dagli attuatori e dalla loro portata. Vengono utilizzate quando due attuatori uguali, non accoppiati meccanicamente, alimentati dalla stessa pompa e regolati dallo stesso distributore, devono muoversi contemporaneamente in entrata e in uscita


Dettagli

Struttura
Tipo filetto
Pollici
Dimensioni e peso
Chiave
41
Filettatura femmina
3/8"
Filettatura maschio
3/8"
Peso
2 kg
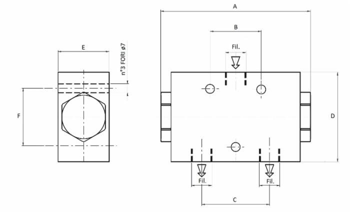
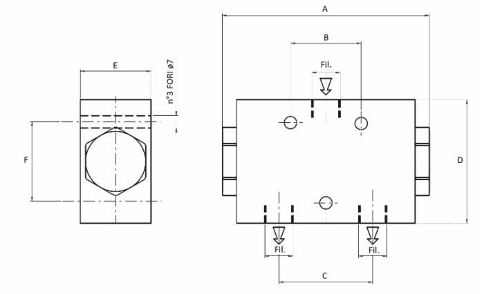
Quota a
117 mm
Quota b
40 mm
Quota c
53 mm
Quota d
70 mm
Quota e
40 mm
Quota f
45 mm
Funzionalità e prestazioni
Portata l/min
6-10 l/min
Pressione massima
250 Bar
Dati principali
Brand
Ama Refluid
Destinazione d'uso
Oleodinamica
Tipo
Divisore flusso