Valvola di sequenza da 3/8"

0 Recensioni Scrivi recensione
Marca Ama Refluid
SKU: 16874
Disponibilità: Consegna in 2-4 giorni
Spedizione: Spedizione gratuita
Portata l/min: 35 l/min
Pressione massima: 350 Bar
Brand: Ama Refluid
Tipo: Valvola oleodinamica ad azione diretta per il funzionamento della sequenza dei cilindri
Hai delle domande?
€49.82
Veloce! Stock attuale:

Valvola di sequenza da 3/8"

€49.82
Valvola di sequenza ad azione diretta da 3/8". IMPIEGO: Valvola utilizzata principalmente per far funzionare in sequenza due cilindri: al raggiungimento di un determinato valore di taratura, la valvola si apre e va ad alimentare un secondo attuatore. La valvola di ritegno permette il libero passaggio del flusso nella direzione opposta. È indicata in impianti dove la pressione sull’attuatore secondario sia limitata, in quanto le pressioni si sommano


Dettagli

Struttura
Tipo filetto
Pollici
Dimensioni e peso
Filettatura femmina
3/8"
Filettatura maschio
3/8"
Peso
1,17 kg
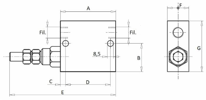
Quota a
74 mm
Quota b
39 mm
Quota c
7 mm
Quota d
55 mm
Quota e
146 mm
Quota f
30 mm
Quota g
70 mm
Funzionalità e prestazioni
Portata l/min
35 l/min
Pressione massima
350 Bar
Dati principali
Brand
Ama Refluid
Destinazione d'uso
Agricoltura
Linea
Refluid
Tipo
Valvola oleodinamica ad azione diretta per il funzionamento della sequenza dei cilindri