Motore A 4 Tempi Ohv 270Cc,9,0Hp Con Flangia

0 Recensioni Scrivi recensione
Marca Ama
SKU: 90374
Disponibilità: Consegna in 1-3 giorni
Spedizione: Spedizione gratuita
Cilindrata: 270 cm³
Potenza meccanica: 9 hp
Tipo alimentazione: Benzina
Brand: Ama
Modello: G270F
Tipo: Motore quattro tempi
Hai delle domande?
€347.31
Veloce! Stock attuale:

Motore A 4 Tempi Ohv 270Cc,9,0Hp Con Flangia

€347.31
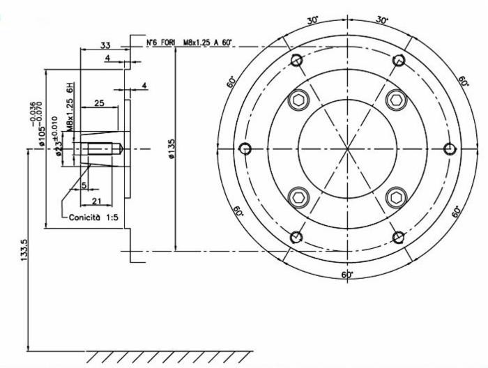
Motore a 4 tempi OHV 270cc. 9,0hp con albero orizzontale conico da 23mm con flangia


Dettagli

Struttura
Capacità serbatoio carburante
6 l
Capacità serbatoio olio
1 l
Dati tecnici alimentazione
Avviamento elettrico alla rete
si
Avviamento
Manuale
Cilindrata
270 cm³
Potenza meccanica
9 hp
Tipo alimentazione
Benzina
Dimensioni e peso
Peso
26 kg
Dati principali
Brand
Ama
Destinazione d'uso
Giardinaggio
Modello
G270F
Modello motore
4 Stroke OHV
Tipo
Motore quattro tempi
Codici originali
Produttore Codice originale
TECNOGARDEN 204062