Barilotto con fondo aperto ø 10mm
 
                    Barilotto con fondo aperto ø 10mm
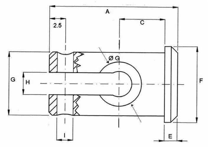
Barilotto con fondo aperto fresato, caratterizzato da un diametro esterno di 10 mm, una lunghezza di 20 mm e un diametro interno di 7 mm.
Barilotto con fondo aperto fresato, caratterizzato da un diametro esterno di 10 mm, una lunghezza di 20 mm e un diametro interno di 7 mm.
 
    Spedizione gratuita
Consegna rapida in 1-3 giorni